永久免费查看
更新时间:2026-04-12
2021年一级建造师《港口与航道工程》提升卷提供该考试科目的试卷全部试题及答案大全,科目内容齐全,答案供学员学习免费使用,助力考试通关!

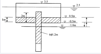
A.2.27~0.8
B.1.85~0.5
C.1.27~-0.5
D.3.02~1.05
A.化学稳定性
B.物理稳定性
C.水稳定性
D.耐腐蚀性
A.当挖槽宽度大于抓斗挖泥船的最大挖宽时,应分段进行施工
B.当挖槽宽度小于抓斗挖泥船的最大挖宽时,应分段进行施工
C.当疏浚区泥层厚度超过抓斗一次所能开挖的厚度,应分层施工
D.当疏浚区受水位影响需乘潮施工时,应分条施工
A.不应大于45°
B.不应大于60°
C.不应小于45°
D.不应小于60°
A.两点
B.五点
C.三点
D.多点
A.墩式结构的四角
B.墩式结构的中心
C.沉降或伸缩缝两侧
D.码头的左右两端
E.码头的前后沿
A.潮流
B.风海流
C.径流
D.盐水楔异重流
E.气压梯度流
A.总体风险评估
B.设计阶段安全风险评估
C.施工阶段安全风险评估
D.投产阶段安全风险评估
E.专项风险评估
A.包括了工程本身直接使用的材料、成品、半成品
B.包括了按规定摊销的施工用料
C.除另有说明外,均可调整
D.包括了其场内运输和操作消耗
E.不包括运输和操作消耗



